电动汽车逆变器用IGBT驱动电源设计研究: 电动汽车逆变器用于控制汽车主电机为汽车运行提供动力, IGBT功率模块是电动汽车逆变器的核心功率器件, 其驱动电路是发挥IGBT性能的关键电路。 驱动电路的设计与工业通用变频器、风能太阳能逆变器的驱动电路有更为苛刻的技术要求, 其中的电源电路受到空间尺寸小、工作温度高等限制, 面临诸多挑战。 本文设计一种驱动供电电源, 并通过实际测试证明其可用性。
常见的驱动电源采用反激电路和单原边多副边的变压器进行设计。 由于反激电源在开关关断期间才向负载提供能量输出的固有特性, 使得其电流输出特性和瞬态控制特性相对来说都比较差。 在100kW量级的IGBT模块空间布局中, 单个变压器集中生产4到6个互相隔离的正负电源的设计存在诸多不弊端:电源过于集中, 爬电距离和电气间隙难以保证, 板上电源供电距离过长等等。 本设计采用常见的非专用芯片进行电路设计, 前级SEPIC电路实现闭环, 后级半桥电路实现隔离有效解决了上述问题。 该电路成功应用于国际领先的新能源汽车逆变器设计中。 应用表明, 该设计具有较好的灵活性、高可靠性和瞬态响应能力。
1 电动汽车逆变器驱动电源的要求分析
电动汽车逆变器驱动电源一般为6个互相隔离的+15V/-5V电源。 该电源的功率、电气隔离能力、峰值电流能力、工作温度等等都有严格的要求。 以英飞凌的汽车级IGBT模块FS800R07A2E3_B31为目标进行电源指标的具体计算, 该模块支持高达150kW的逆变器系统设计。
1.1 驱动功率计算
该驱动电源的输入功率计算公式为:
P=f_sw&TImes;Q_g&TImes;△V_g/η(1)
其中f_sw开关频率取10kHz, Q_g根据数据手册取8.6nC, △V_g为门极驱动电压取23V。 考虑到功率较小, 效率取85%。 此外注意到数据手册中的8.6nC是按照电压+/-15V计算, 需考虑折算, 最后计算结果为1.8W。 考虑设计裕量1.1倍, 记为2W。
1.2 驱动电流计算
平均驱动电流计算公式为:
I_av=f_sw&TImes;Q_g(2)
可以计算得到平均电流为86mA。
峰值电流计算公式为:
I_peak=△V_g/(R_gext+R_gint)(3)
R_gext为外部门极电阻, 按数据手册取开通1.8欧关断0.75欧。 R_gint为内部门极电阻, 按数据手册取0.5欧, 得到开通峰值电流10A, 关断峰值电流18.4A。 实际使用中, 开通电阻和关断电阻需要进行开关速度与短路保护能力等性能的折衷, 良好的设计值在2.2~5.1欧范围, 因此实际开关峰值电流在4~10A范围。
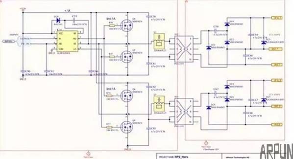
2 驱动电源电路设计2.1 电源拓扑设计
该电源的输入是新能源乘用车常规的12V电源, 该电源通常波动范围是8~16V, 而驱动电源的输出需要相对稳定。 需要设计多组宽压输入、定压输出的隔离电源。 本设计把电源分成两级:前级电源实现宽压输入、定压输出功能, 后级实现隔离功能, 结构见图1.

图1:电源拓扑示意图
该结构的好处是:
一、前级电源无需解决隔离问题, 可以采用常规的SEPIC或buck-boost非隔离拓扑, 而且前级电源的输出是无需隔离的低压定压, 在布局布线中无需考虑各组电源间的爬电距离和电气间隙问题。 因此该部分前级可以作为低压弱电电路独立实现, 无需占用驱动板面积。
二、后级电源无需解决反馈问题, 采用开环控制, 避免了隔离信号反馈的麻烦。 因为乘用车设备的工况恶劣, 工作温度变化范围非常大, 传统的线性光耦等器件受温漂影响精度大幅降低, 温漂补偿器件又成本很高, 这种方式有效避免这一弊端。
2.2 后级半桥开关电源设计
前级电源属于典型定压设计, 无需给出设计原理, 本文重点介绍后级半桥电路。 具体原理图见图2和图3。 图2为采用汽车级定时器电路设计的50%占空比信号发生器, 用于给半桥开关电源提供控制信号, 其中R49可以用来调整开关频率, 一般可以设定在70kHz到300kHz之间, 频率选择主要根据电路板实际空间尺寸和变压器的伏秒积进行折衷选取。
从变压器计算伏秒积的公式为:
ET=V*D/f_sw(4)
V为加在变压器上的电压, D是占空比, f_sw是开关频率。 本设计选择了一颗ET值达44Vusec的变压器, 因此开关频率设置较低, 为120kHz。

图2:50%占空比信号发生电路
图3为半桥开关电源电路。 此电路采用一颗IR的汽车级半桥芯片IRS2004S作为驱动, 并联两个由Infineon BSR302N组成的并联半桥电路。 采用匝比为1:1.25的通用变压器, 经过倍压整流得到+15V电压, 经过普通整流得到-8V电压。 每个变压器用于给一个IGBT驱动供电。 在变压器原边串联入汽车级EMC磁珠, 可以有效抑制开关产生的电压尖峰, 器件具体信息见附录表1。 IGBT门极是一种容性负载, 每次开关都伴随着较高瞬态电流, 即前文计算的峰值驱动电流, 因此需要一种纹波电流能力强的长寿命电容, 每路电源采用4.7uF X7R汽车级多层陶瓷电容, 实现瞬态电压支撑。 X7R多层陶瓷电容具有封装小, ESR低, 允许纹波电流大, 温度降低容量衰减少等优点。

图3:半桥开关电源电路原理图
3 测试结果
实际测试条件为, 后级输入定电压16.5V, 输入电流0.67A, IGBT开关频率10kHz, 信号为SVPWM, 开关电源工作频率120kHz, 室温条件。 经简单计算可知, 每路功耗1.84W, 与理论计算相符合。
选取高占空比和低占空比两个工况, 观察相关信号的波形, 见图4和图5。 其中橙色的1通道显示低压侧驱动输入信号, 粉色2通道显示-8V电源输出端的波形, 蓝色3通道显示+15V电源输出端波形, 绿色4通道显示门极输出波形。
在IGBT开通时刻, 由于电源电容电荷迅速通过门极电阻转移到门极, 时间一般只有1~3us, 产生+15V电源上的电压跌落, 但是很快就可以恢复到平台电压。 同理, 在IGBT关断时刻, 也会使-8V电源产生电压跌落。 这种跌落是不会引起IGBT开通或关断的不良反应, 因此是可以接受的。 对比图4和图5也能够发现, 占空比大小不会影响电压跌落的幅值和持续的时间, 这是因为IGBT的门极是容性负载。
图4和图5中还能看到, 在IGBT关断时刻使开通电压波形产生了一个的尖峰, 由于此时开通电压电源处于瞬时空载状态, 不会对驱动控制产生影响。 整体上看, 原边的低压弱电信号和副边的低压强电信号都没有受到开关电源自身开关频率上的干扰。

图4:高占空比波形图

图5:低占空比波形图
4 结论
设计验证表明, 前级SEPIC非隔离稳压, 后级半桥隔离开环的拓扑结构, 优于传统的反激式单原边多副边的集中式电源, 特别适合作为100kW量级的新能源乘用车逆变器的驱动电源, 设计没有采用往往不符合汽车标准的电源类专用集成芯片, 而是采用具有AEC认证的汽车级通用分立器件, 满足了乘用车电子设计的苛刻要求。
修理电磁炉时免烧IGBT管的技巧:
1.试机前, 检查功率管G极, 如果G极开路悬空, 通电即烧管。 正常G极对地有几百欧至几千欧阻值。 之后将保险管拆除, 串接一只200W的灯泡, 通电检锅时灯泡不亮, 放入锅具后, 灯泡一闪既保护, 说明正常, 若灯泡随着检锅脉冲闪亮, 说明还有问题。
2.去掉线圈, 用灯泡接在线圈的位置, 通电锅检电路工作时灯会一闪一闪的亮。 电路没事。
灯泡亮是因为IGBT正常工作, 又灭是因为由于灯泡的存在造成输入电路电压分压, MCU判断为输入欠压, 所以关断。
若灯泡随着检锅脉冲闪亮, 证明还有问题。 一般情况检查LM339N, 更换可以解决大部分问题。
来源:(电子工程网)













